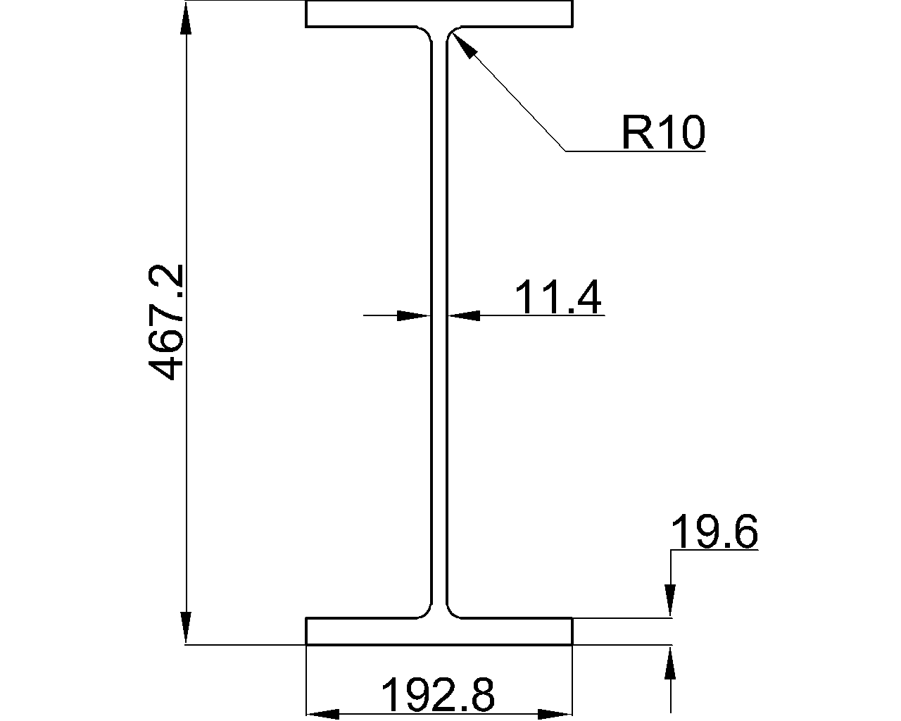
UB 457x191x98
Universal Beams
refer to : EN 10365:2017
a European standard that defines the dimensions, tolerances, and sectional properties for hot-rolled steel channels, I-beams, and H-beams used in construction and engineering. It ensures uniformity and compatibility across European structural steel products.
Dimension : 467.2×192.8×11.4×19.6
Depth : 467.2 mm
Width : 192.8 mm
Web Thickness : 11.4 mm
Flange Thickness : 19.6 mm
Root Fillet Radius : 10 mm
Sectional Area : 125.3 cm2
Unit Weight : 98.4 kg/m
UB 457x191x98












