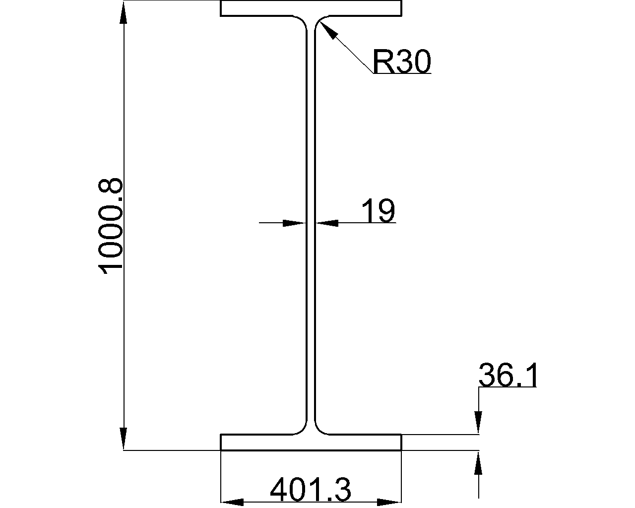
W Beam
refer to : AISC 16
the American Institute of Steel Construction (AISC) Specification for Structural Steel Buildings (AISC 360-16), which is the 2016 edition of the AISC Specification for Structural Steel Buildings. It provides guidelines and requirements for the design, fabrication, and erection of steel structures in the United States.
Depth : 1000.8 mm
Width : 401.3 mm
Web Thickness : 19 mm
Flange Thickness : 36.1 mm
Root Fillet Radius : 30 mm
Sectional Area : 474.19 cm2
Unit Weight : 372.2 kg/m
W40x249












