Tag: ipe steel
-
IPE 330
IPE 330 Parallel Flange I Sections refer to : EN 10365:2017 a European standard that defines the dimensions, tolerances, and sectional properties for hot-rolled steel channels, I-beams, and H-beams used in construction and engineering. It ensures uniformity and compatibility across European structural steel products. Dimension : 330x160x7.5×11.5 Depth : 330 mm Width : 160 mm…
Written by
-
IPE 360
IPE 360 Parallel Flange I Sections refer to : EN 10365:2017 a European standard that defines the dimensions, tolerances, and sectional properties for hot-rolled steel channels, I-beams, and H-beams used in construction and engineering. It ensures uniformity and compatibility across European structural steel products. Dimension : 360x170x8x12.7 Depth : 360 mm Width : 170 mm…
Written by
-
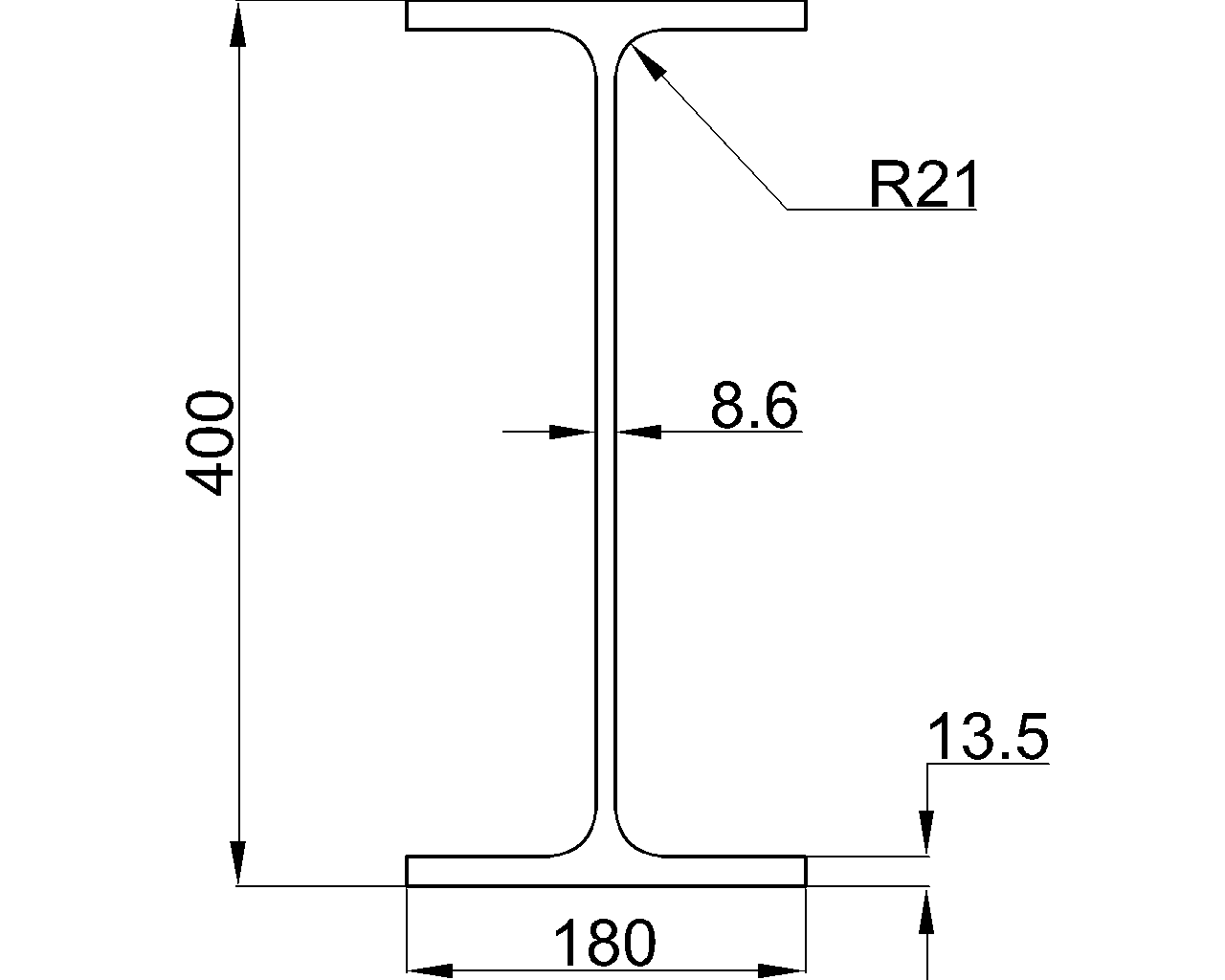
IPE 400
IPE 400 Parallel Flange I Sections refer to : EN 10365:2017 a European standard that defines the dimensions, tolerances, and sectional properties for hot-rolled steel channels, I-beams, and H-beams used in construction and engineering. It ensures uniformity and compatibility across European structural steel products. Dimension : 400x180x8.6×13.5 Depth : 400 mm Width : 180 mm…
Written by
-
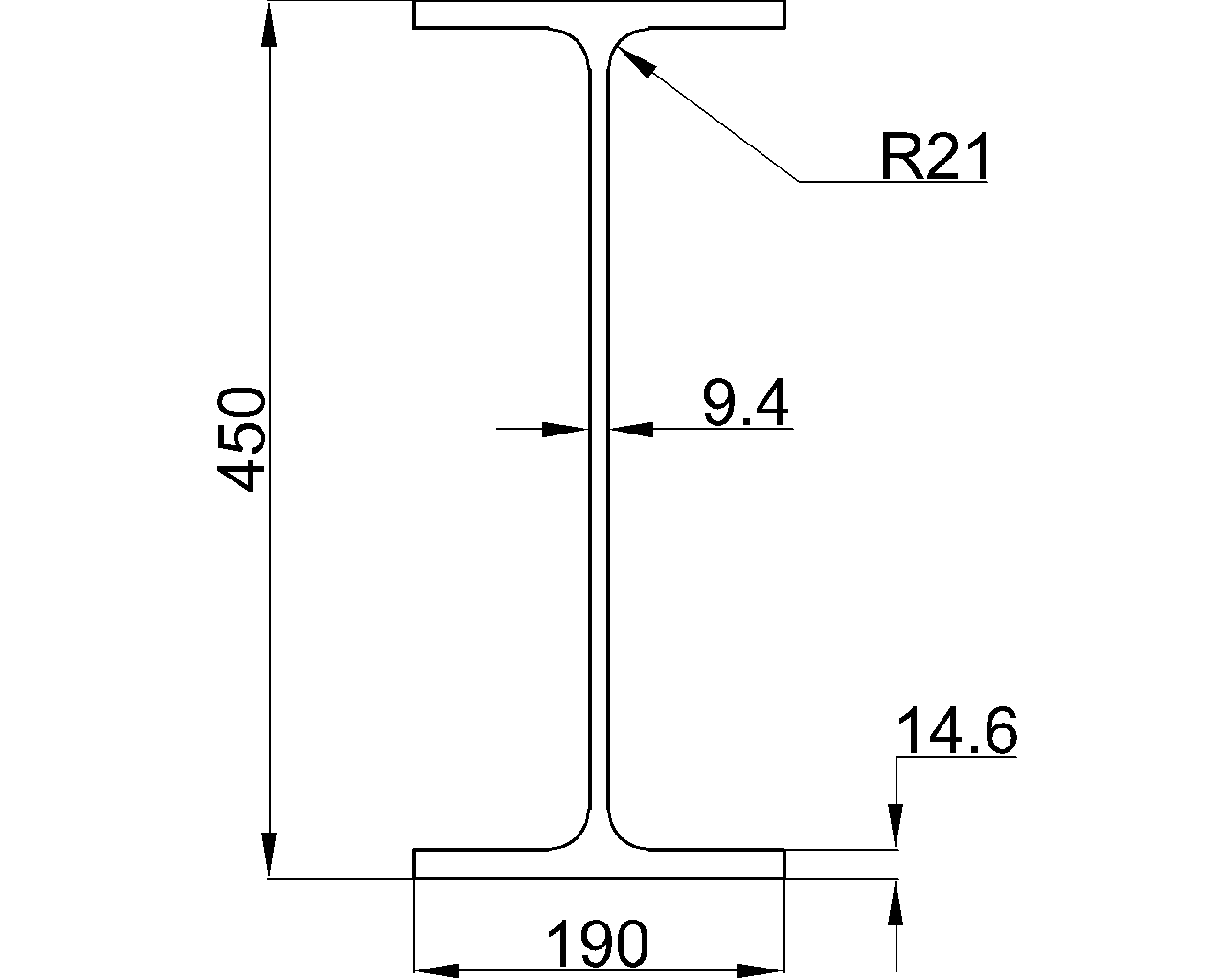
IPE 450
IPE 450 Parallel Flange I Sections refer to : EN 10365:2017 a European standard that defines the dimensions, tolerances, and sectional properties for hot-rolled steel channels, I-beams, and H-beams used in construction and engineering. It ensures uniformity and compatibility across European structural steel products. Dimension : 450x190x9.4×14.6 Depth : 450 mm Width : 190 mm…
Written by
-
IPE 500
IPE 500 Parallel Flange I Sections refer to : EN 10365:2017 a European standard that defines the dimensions, tolerances, and sectional properties for hot-rolled steel channels, I-beams, and H-beams used in construction and engineering. It ensures uniformity and compatibility across European structural steel products. Dimension : 500x200x10.2×16 Depth : 500 mm Width : 200 mm…
Written by
-
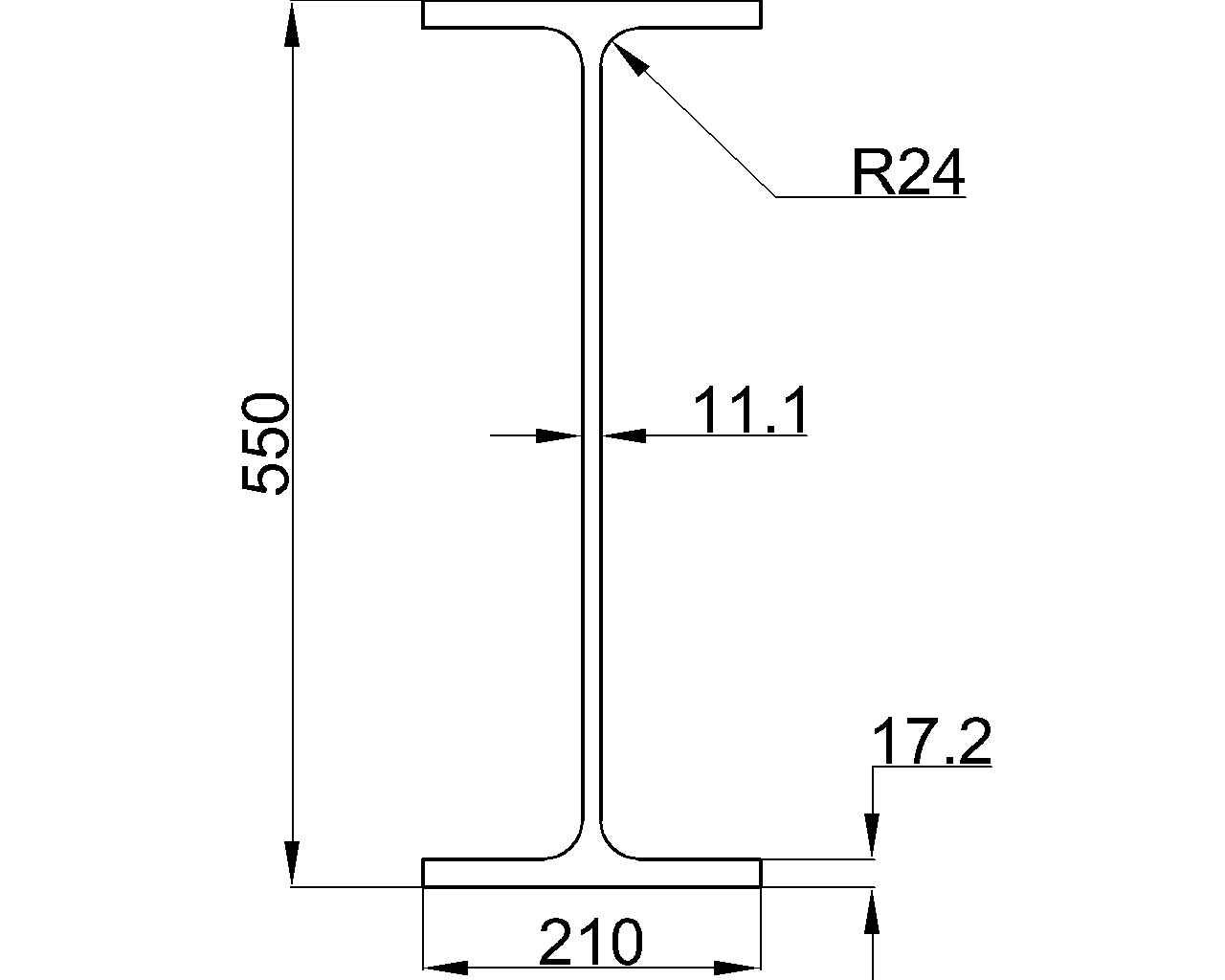
IPE 550
IPE 550 Parallel Flange I Sections refer to : EN 10365:2017 a European standard that defines the dimensions, tolerances, and sectional properties for hot-rolled steel channels, I-beams, and H-beams used in construction and engineering. It ensures uniformity and compatibility across European structural steel products. Dimension : 550x210x11.1×17.2 Depth : 550 mm Width : 210 mm…
Written by
-
IPE 600
IPE 600 Parallel Flange I Sections refer to : EN 10365:2017 a European standard that defines the dimensions, tolerances, and sectional properties for hot-rolled steel channels, I-beams, and H-beams used in construction and engineering. It ensures uniformity and compatibility across European structural steel products. Dimension : 600x220x12x19 Depth : 600 mm Width : 220 mm…
Written by
-
IPE 270
IPE 270 Parallel Flange I Sections refer to : EN 10365:2017 a European standard that defines the dimensions, tolerances, and sectional properties for hot-rolled steel channels, I-beams, and H-beams used in construction and engineering. It ensures uniformity and compatibility across European structural steel products. Dimension : 270x135x6.6×10.2 Depth : 270 mm Width : 135 mm…
Written by







