Tag: ipe steel profile
-
IPE O 600
IPE O 600 Parallel Flange I Sections refer to : EN 10365:2017 a European standard that defines the dimensions, tolerances, and sectional properties for hot-rolled steel channels, I-beams, and H-beams used in construction and engineering. It ensures uniformity and compatibility across European structural steel products. Dimension : 610x224x15x24 Depth : 610 mm Width : 224…
Written by
-
IPE O 550
IPE O 550 Parallel Flange I Sections refer to : EN 10365:2017 a European standard that defines the dimensions, tolerances, and sectional properties for hot-rolled steel channels, I-beams, and H-beams used in construction and engineering. It ensures uniformity and compatibility across European structural steel products. Dimension : 556x212x12.7×20.2 Depth : 556 mm Width : 212…
Written by
-
IPE O 500
IPE O 500 Parallel Flange I Sections refer to : EN 10365:2017 a European standard that defines the dimensions, tolerances, and sectional properties for hot-rolled steel channels, I-beams, and H-beams used in construction and engineering. It ensures uniformity and compatibility across European structural steel products. Dimension : 506x202x12x19 Depth : 506 mm Width : 202…
Written by
-
IPE O 450
IPE O 450 Parallel Flange I Sections refer to : EN 10365:2017 a European standard that defines the dimensions, tolerances, and sectional properties for hot-rolled steel channels, I-beams, and H-beams used in construction and engineering. It ensures uniformity and compatibility across European structural steel products. Dimension : 456x192x11x17.6 Depth : 456 mm Width : 192…
Written by
-
IPE O 400
IPE O 400 Parallel Flange I Sections refer to : EN 10365:2017 a European standard that defines the dimensions, tolerances, and sectional properties for hot-rolled steel channels, I-beams, and H-beams used in construction and engineering. It ensures uniformity and compatibility across European structural steel products. Dimension : 404x182x9.7×15.5 Depth : 404 mm Width : 182…
Written by
-
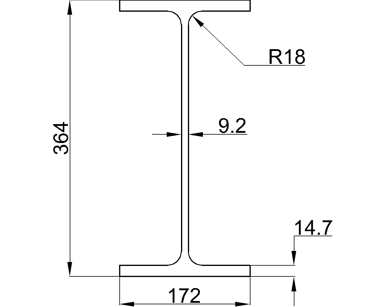
IPE O 360
IPE O 360 Parallel Flange I Sections refer to : EN 10365:2017 a European standard that defines the dimensions, tolerances, and sectional properties for hot-rolled steel channels, I-beams, and H-beams used in construction and engineering. It ensures uniformity and compatibility across European structural steel products. Dimension : 364x172x9.2×14.7 Depth : 364 mm Width : 172…
Written by
-
IPE AA 240
IPE AA 240 Parallel Flange I Sections refer to : EN 10365:2017 a European standard that defines the dimensions, tolerances, and sectional properties for hot-rolled steel channels, I-beams, and H-beams used in construction and engineering. It ensures uniformity and compatibility across European structural steel products. Dimension : 236.4x120x4.8×8 Depth : 236.4 mm Width : 120…
Written by
-
IPE AA 220
IPE AA 220 Parallel Flange I Sections refer to : EN 10365:2017 a European standard that defines the dimensions, tolerances, and sectional properties for hot-rolled steel channels, I-beams, and H-beams used in construction and engineering. It ensures uniformity and compatibility across European structural steel products. Dimension : 216.4x110x4.7×7.4 Depth : 216.4 mm Width : 110…
Written by
-
IPE AA 200
IPE AA 200 Parallel Flange I Sections refer to : EN 10365:2017 a European standard that defines the dimensions, tolerances, and sectional properties for hot-rolled steel channels, I-beams, and H-beams used in construction and engineering. It ensures uniformity and compatibility across European structural steel products. Dimension : 196.4x100x4.5×6.7 Depth : 196.4 mm Width : 100…
Written by
-
IPE AA 180
IPE AA 180 Parallel Flange I Sections refer to : EN 10365:2017 a European standard that defines the dimensions, tolerances, and sectional properties for hot-rolled steel channels, I-beams, and H-beams used in construction and engineering. It ensures uniformity and compatibility across European structural steel products. Dimension : 176.4x91x4.3×6.2 Depth : 176.4 mm Width : 91…
Written by
-
IPE AA 160
IPE AA 160 Parallel Flange I Sections refer to : EN 10365:2017 a European standard that defines the dimensions, tolerances, and sectional properties for hot-rolled steel channels, I-beams, and H-beams used in construction and engineering. It ensures uniformity and compatibility across European structural steel products. Dimension : 156.4x82x4x5.6 Depth : 156.4 mm Width : 82…
Written by
-
IPE AA 140
IPE AA 140 Parallel Flange I Sections refer to : EN 10365:2017 a European standard that defines the dimensions, tolerances, and sectional properties for hot-rolled steel channels, I-beams, and H-beams used in construction and engineering. It ensures uniformity and compatibility across European structural steel products. Dimension : 136.6x73x3.8×5.2 Depth : 136.6 mm Width : 73…
Written by











